TR-Plus Transmit/Receive Switch
for Pure Signal
The HPSDR PowerSDR software has been extended by Warren Pratt, NR0V, to incorporate Pure Signal adaptive predistortion, which uses digital magic to improve the performance of HF amplifiers. It can reduce the intermodulation distortion ("IMD") comminly known as "splatter" by 10 dB more more. I've done some testing of Pure Signal and posted the results at febo.com.
Pure Signal requires that a sample of the transmitted signal, picked up at the output of the final amplifier, be fed back into the HPSDR receiver for processing. It's important that the sampled signal is at least 10dB stronger than any leakage or "crosstalk" from the rest of the transmitter chain. The T/R switching system built into the ANAN radios doesn't meet this requirement, at least at higher frequencies. What you need is a T/R switch that handles four connections (transmitter, receiver, antenna, and sampler input) without allowing the transmit signal to leak back to the receiver, other than via the sampler.
My goal was to create a T/R switch that would support Pure Signal with the ANAN-10 radio without having to make any irreversible modifications to the radio. The result is the TR-Plus board documented here, which TAPR is offering as a kit.
TR-Plus is not limited to use for Pure Signal -- it's a general purpose T/R switch and requires only 12 volts and a standard ground-on-TX keying signal. It can be used, for example, to switch a Mercury/Penny pair, or for any 100W class receiver/transmitter combination.
TR-Plus is a ridiculously simple design -- it's just a pair of double-throw relays configured to route four inputs (TX, RX, sampler, and antenna) in a way that works for Pure Signal use, with a transistor switch to drive them. If you decide to build your own version of this circuit, be aware that using the right relays, and using careful circuit layout, is necessary to minimize crosstalk. My first breadboard using "dead bug" wiring and junkbox relays failed horribly (click here to see a comparison of that prototype compared to the production version).
TR-Plus is built on a 0.75 x 3.00 inch PCB using through-hole parts.
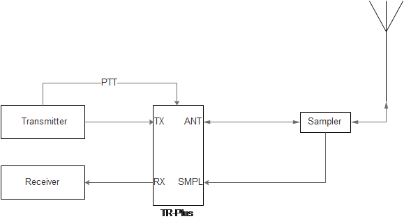
Here's a block diagram of the most generic use case:
This is how I connect things to use TR-Plus with an ANAN-10 radio and external 100W amplifier:
The only modification required to the ANAN-10 is removal of the internal coax connecting J29 on the Hermes board to J3 on the ANAN-10 PA board. This will disconnect the Hermes RX input from the ANAN T/R switch; all RX signals now come in through the "RX" SMA jack on the rear panel. The transmit signal continues to be available from the selected ANT BNC jack.
You will need to provide a keying signal from Hermes to the TR-Plus board. This is available at pin 25 of J16 (an easy way to access this, and other useful signals, is via the TAPR Hermes Breakout Board.
Note that in this example I've put the amplifier AFTER the TR-Plus. If the final amp has its own T/R switch, we can benefit from putting the TR-Plus ahead of the final output signal. Apart from exposing the relay contacts to lower power, this lowers the signal level available to leak back into the RX path and thus improves the isolation. Most commercial amps do contain a T/R switch, and the keying line can usually be paralleled with that of the TR-Plus.
Performance
There are two specifications that are important for any T/R switch: power handling capability, and switching time.
The relays used in the TR-Plus are the same as those used in the T/R switching section of the TAPR Alex Filter. Based on measurements and experience, these relays can handle 100W at HF/6M.
I've done some oscilloscope measurements of the switching time. Measuring between the ANT and TX connectors, the delay from applying the KEY signal is less than 1.5ms, which should be fast enough for most applications.
But those aren't the only important numbers. Another characteristic is only of moderate importance for a normal T/R switch, but is critical for Pure Signal work. That is the isolation between the receiver and the transmitter. To work properly, Pure Signal wants to see about 0 to +10dBm of sampled signal.
Crosstalk from other signal paths should be 10 to 20dB below that level. If you use a 100W amplifier (which is +50dBm) and a 40dB sampler to provide +10dBm to the receiver, then you need at least 60dB of isolation to reduce the crosstalk to -10dBm at the receiver, or 20dB below the sample level. In designing the TR-Plus, I took a lot of care to avoid crosstalk and the results are pretty good. At 20M, the isolation between RX and TX ports is nearly 70dB, dropping to 58dB at 6M. These values are sufficient for good Pure Signal operation at 100W without using other tricks.
Here is a plot of the isolation on the production (Rev. B) board:
Note that you can do two additional things to reduce the isolation requirements beyond what the switch provides on its own:
- Use a more tightly coupled sampler to send, say, +15dBm,
and use the Hermes built-in attenuator to compensate. The attenuator
will drop both the sampled and the leakage signals, reducing the level
of crosstalk. I use a 40dB directional coupler after my 100W amp (to get
+10dBm into the sampler), and around 10dB of Hermes attenuation on transmit.
- Put the final amp following the TR-Plus board, which will improve isolation by an amount equal to the amp gain. This requires that the amp have its own T/R switching circuit (otherwise, RX signals won't be passed through). If you're using anything other than a homebrew amplifier, the amp probably has T/R switching.
For completeness, here are some other plots showing the RF performance of that board. As you can see, both insertion loss and return loss are good:
Here are the full schematic and board layout of the TR-Plus (you can click on these images to get to larger and more legible versions):
