[time-nuts] Unified VCXO Carrier Board

Charles Steinmetz csteinmetz at yandex.com
Fri Oct 23 19:27:39 UTC 2015


Gerhard wrote:

>What do you consider a run-of-the-mill comparator? LM139, LMV7219, 
>AD8561, ADCMP580?

For squaring 1-10MHz sine waves, the LT1719 and 1720 are the best 
that I've found.  This is a matter of how much internal hysteresis 
the comparator has, how smoothly the internal hysteresis acts, how 
much gain the part has and how it is structured, how fast it is (both 
risetime and propagation delay), whether it suffers from thermal 
feedback from the output stage to the input stage, how much internal 
ground bounce it has, and a host of other die-level issues.

The LT1719 uses bipolar input supplies, so ground can be the 
reference voltage and also be in the center of the input common-mode 
range.  This is always quieter than biasing the inputs to the middle 
of a single supply, which is usually done with the 1720 and many 
other comparators.  (Like other single-supply comparators, the 1720 
will work referenced to ground with only a positive supply -- but (i) 
the inputs are then at the very edge of the input common-mode range, 
and (ii) you can only drive the input 100mV below ground, so you have 
to figure out how to clamp the input signal.  It is much easier to 
just use an LT1719 with +/-5v on the input stage, and it works better, too.)

Page 22 of the LT1719 datasheet shows the simplest possible circuit 
and discusses its performance.

>What optimizations?  I have seen the "Wenzel" circuit in cheapish 
>frequency counter inputs in
>the late seventies, maybe with a diode bridge added as input protection..

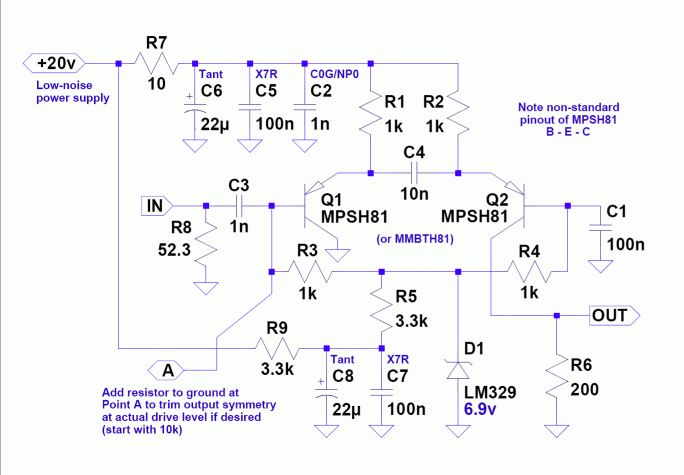
Use medium-speed transistors, bias both bases from the same low-noise 
voltage reference such as an LM329, capacitively couple the emitters, 
and use a higher supply voltage, for starters.  I use MPSH81/MMBTH81s 
and a power supply of around 20v (see attached schematic) for a 
reasonably optimized implementation.  Other transistors can be used, 
but I've found that the H81s work better for squaring 1-10MHz sine 
waves than anything else I've tried -- they hit the sweet spot of the 
bandwidth/gain tradeoff and have a nice flat gain vs. current characteristic.

>so it shows that one can replace filtering by signal power :-)

It's a matter of the slew rate of the input sine wave at 
zero-cross.  Once you reach the critical slew rate for any particular 
input architecture, the comparator is hard-switched fast enough that 
it doesn't spend significant time in the linear region generating noise.

>Any objections against the AD9901 phase comparator?

That should work fine.

Best regards,

Charles

-------------- next part --------------
A non-text attachment was scrubbed...
Name: Wenzel_squarer_MPSH81_20v.gif
Type: image/gif
Size: 33616 bytes
Desc: not available
URL: <http://febo.com/pipermail/time-nuts_lists.febo.com/attachments/20151023/cd67e282/attachment.gif>


More information about the Time-nuts_lists.febo.com mailing list